Meazzi transistor Factotom echo

The Shadows, their music, their members and Shadows-related activity by former members of this community

Meazzi transistor Factotom echo

Postby barryg » 17 Apr 2012, 15:59

Inside this echo machine there are 4 printed circuit boards (pcb) and on one of mine, No3, there appears to be a component missing where the board has cracked. Can anyone tell me what's missing. In the attached photo you can see 2 holes just above the large blue capacitor and I think there should be a capacitor or something that fits in there.

If you have one of these machines and can help I would be most grateful if you can tell me what that part is if indeed something should be there. There are schematic drawings but I would not be able to interpret it. Any help woud be appreciated.

Barry
_DSC0614.JPG
(24.75 KiB) Downloaded 3580 times
barryg
 
Posts: 269
Joined: 15 Sep 2009, 12:58

Re: Meazzi transistor Factotom echo

Postby RayL » 17 Apr 2012, 19:01

It is fairly unusual to have a number of components soldered to the 'wrong' side of the PCB. Good designers arrange all the components on the 'component' side. The wires of the big blue capacitor are suspiciously long - too long for good mechanical stability. The fact that all those visible resistors and capacitors are in the 'cracked' area suggests that the board was repaired after the crack occured.

Did you buy the unit second-hand? Do you have knowledge of it's past history? It may be that the 'empty' holes were occupied by components before the crack occured and the repairer has ignored the holes and simply soldered replacement components on to the track - the big blue capacitor seems to be soldered in this way.

A look at the other side of the board would provide all sorts of clues - for example, do the Rs and Cs look to be of the same type as the ones in your photograph? Designers usually go to one supplier so if the 'original' components are differently styled, then the ones in your photo were almost certainly added later.

Even the soldering can provide a clue. The visible components aren't as neatly soldered as the rest of the board. Under a magnifying glass the scattering of spots of resin flux will probably look different.

Does the echo unit work as it should? If it does, then the repair was successful (if a bit messy) and you do not need to worry about holes and missing components.

Ray
User avatar
RayL
 
Posts: 1247
Joined: 16 Sep 2009, 16:25
Location: Carshalton, Surrey

Re: Meazzi transistor Factotom echo

Postby barryg » 17 Apr 2012, 20:53

Ray,

Thanks for your comments.

The big blue cap fitting is fine. The wire looks quite long in the photo but in reality it's short and the cap is secure.

The PCB was cracked when I bought this echo some years ago and I'm just getting around to sorting it out as the echo doesn't work at the moment. I have soldered in link wires where the PCB solder track is broken and that will show additional soldering but the remainder looks original to me.

I have added some more photos and you will see the reverse side of the PCB and a more detailed view of the 2 holes on the original side photo. There is no solder around the area of the holes but there are signs of residual flux around them and this is why I question whether there was a component there at some point. If there was, there is no obvious sign of where it was connected.

Please have a look at the new photos and let me know what you think.

I'm hoping someone has the same echo and would be good enough to check their PCB and tell me what they find.

Barry
_DSC0853.JPG
(20.88 KiB) Downloaded 3503 times
_DSC0852.JPG
(25.55 KiB) Downloaded 3503 times
_DSC0848.JPG
(27.36 KiB) Downloaded 3503 times
_DSC0847.JPG
(20.55 KiB) Downloaded 3503 times
barryg
 
Posts: 269
Joined: 15 Sep 2009, 12:58

Re: Meazzi transistor Factotom echo

Postby barryg » 17 Apr 2012, 20:59

In photo DSC0853 the holes in question are at the bottom and centre of the picture and the PCB crack runs through one of the holes.
barryg
 
Posts: 269
Joined: 15 Sep 2009, 12:58

Re: Meazzi transistor Factotom echo

Postby RayL » 18 Apr 2012, 07:57

Barry

0852 and 0853 make it pretty clear that originally all the components were on the component side of the board and that Mr Bodger the repairer has taken them out from the area around the crack and resoldered them on the other side in a rather untidy fashion. The big yellow electrolytic capacitor (100mfd 50v) looks to be a 'stranger' - there is no other capacitor of that type elsewhere so the repairer added that one.

I can see now that what seemed to be long connecting wires on the big blue capacitor is in fact a separate piece of bodge wire, also added by our friend the repairer.

If the echo unit doesn't work, and it hasn't worked since you had it, then there is only one sure solution - rebuild it properly. You say that you have 'schematic drawings'. Do you mean that you have a circuit diagram, or diagrams, for this Board 3? If so, this is your salvation because they will show you how the components should be connected and what their true values are and which holes actually have component wires soldered to them. (Sometimes a minor design change will mean that holes are left unused, because it is easier to do this than go to the cost of making a new production run of revised boards).

If you don't feel confident with circuit diagrams them the safe answer is to get an expert, and we have Amanda on this forum who seems to have all things Meazzi at her fingertips. I'm surprised she hasn't popped up here already but perhaps she is on holiday.

Your unit is fixable, but you need to 'undo' the work of our friend Mr Bodger.

Ray
User avatar
RayL
 
Posts: 1247
Joined: 16 Sep 2009, 16:25
Location: Carshalton, Surrey

Re: Meazzi transistor Factotom echo

Postby Amanda » 18 Apr 2012, 20:24

Barry,

I have a transistor echomatic in for refurb, I'll pull the boards and take some pictures!!
[Check Out My Meazzi Site: http://www.meazzi.org.uk
And Tape Echo Forum: http://ac15.org.uk/meazzibbs/index.php

You're Never Alone With A Mitzi!
User avatar
Amanda
 
Posts: 952
Joined: 12 Sep 2009, 11:55

Re: Meazzi transistor Factotom echo

Postby barryg » 19 Apr 2012, 14:26

Ray,

Thanks for your info. It's all logical now you've pointed out the errors on this board and what needs to put right.

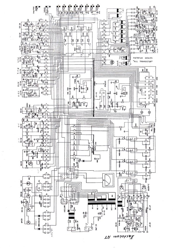
Amanda has now offered to check a PCB board she has at work so I'm hoping that will give me the answers I need. I have a Schematic drawing of the machine and will need to study and try and find what I need from it and see if I can fix the board.

Can anyone interpret this and find the PCB in question? Thanks if you can
Factotom Schematic.jpg
(128.32 KiB) Downloaded 3336 times


Barry
barryg
 
Posts: 269
Joined: 15 Sep 2009, 12:58

Re: Meazzi transistor Factotom echo

Postby RayL » 19 Apr 2012, 16:06

Barry,

Your Board 3 contains seven single-transistor preamps which do various functions. Some seem to be for inputs, maybe others for head amplification. On the circuit diagram Board 3 is represented by the circuits at the top left.

There is a big clue because the 22 brass connectors on the board match the 22 connectors shown on the circuit diagram (vertical line of double squares).

You are in luck, because it looks as if the crack only affects one or maybe two of the preamps. If the board contained one big circuit nothing on the board would work if it was a bad repair. As it is, you simply have to fault-find single-transistor preamps.

Keep the brass connectors polished! - a dirty connection (especially a bad earth) can cause all sorts of wierd and wonderful problems even if there are no faults at all with the circuits.

Ray
User avatar
RayL
 
Posts: 1247
Joined: 16 Sep 2009, 16:25
Location: Carshalton, Surrey

Re: Meazzi transistor Factotom echo

Postby barryg » 20 Apr 2012, 15:05

Thanks again Ray that's great information. I'll have a look at these points and check out the circuit diag. next week.

Barry
barryg
 
Posts: 269
Joined: 15 Sep 2009, 12:58


Return to The Main Board

Who is online

Users browsing this forum: Google Adsense [Bot] and 20 guests

Ads by Google
These advertisements are selected and placed by Google to assist with the cost of site maintenance.
ShadowMusic is not responsible for the content of external advertisements.